Diamantový uzavírací ventil radiátoru PN-M-75002-DN15 přímý ART.66-1/2.OP
Kód výrobce
5907547621086
Kód produktu
ART.66-1/2.OP
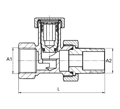
- Vysoce kvalitní radiátorové ventily s vnitřním závitovým koncem pro připojení topného zařízení k instalaci. Vyrobeno z mosazi s pevnou hlavou z ABS. Všechny ventily jsou pískované a následně poniklované.
Rozměr A: G1/2B
Technické údaje:
- Průtok vody: >4,8l/min
- Přípustný pracovní tlak: <10bar
- Provozní teplota: <120oC
- Rozměr A2: R 1/2
- Rozměr A1: Rp 1/2
- Rozměr L: 69,5 mm
Značka
Kód produktu
ART.66-1/2.OP
Kód výrobce
5907547621086
Stav
Nový
Značka
Diamond
Kód výrobce
ART.66-1/2.OP
Druh
přímý ventil
Hmotnost výrobku s obalem
0.2
Parametry bezpieczeństwa
Parametry bezpieczeństwa
Dotaz na výrobek
Napište svoji recenzi





