Vějířová matrice DIN 22568 M4 6G HSS 800 N1-121001-0040
Kód výrobce
2000011084394
Kód produktu
*1200010040E
Veškeré stavební práce budou díky příklepové vrtačce Bosch velmi jednoduché a budou provedeny na nejvyšší úrovni.
Popis produktu:
- Typ materiálu: HSS
- Design: D25
- Zkosení: 1,75P
- Tolerance: 6g
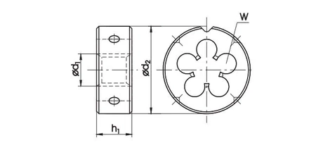
Rozměry (mm):
- M ød1: 4
- P: 0,7
- ød2 x v1: 25x9
- V: 3
Značka
Kód produktu
*1200010040E
Kód výrobce
2000011084394
Parametry bezpieczeństwa
Parametry bezpieczeństwa
Dotaz na výrobek
Napište svoji recenzi




