Zpětný ventil Calido Klepsan 5/4" CA/ZZC-32
Kód výrobce
5901669429834
Kód produktu
27696632
- Zpětný ventil řady Klepsan je spolehlivý a odolný komponent určený pro jednosměrné proudění média v hydraulických instalacích. Ventil je vyroben z vysoce kvalitních materiálů a nabízí dlouhou životnost a odolnost proti korozi.
Talířové zpětné ventily Calido řady KLEPSAN jsou určeny pro instalaci do rozvodů pitné vody, teplé užitkové vody, ústředního vytápění a podlahového vytápění.
Jejich úkolem je zabránit zpětnému toku vody ve vodovodních rozvodech.
- Zpětné ventily lze instalovat v horizontální i vertikální poloze, vždy šipkou ve směru proudění média.Technické údaje:provozní teplota: od -10oC (bez mrazu) na 90
- jmenovitý tlak: PN25
- velikost: GW 5/4"
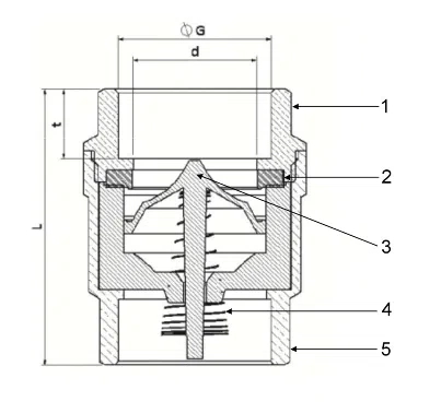
Materiál:
- tělo a polovina těla (1 a 5): Mosaz CW612N
- těsnící kroužek (2): EPDM - VITON
- kuželka ventilu (3): Derlin
- pružina (4): nerezová ocel
Rozměry (mm):
- G = 32
- d = 32
- L = 70
- t = 16
Značka
Kód produktu
27696632
Kód výrobce
5901669429834
Stav
Nový
Značka
Calido
Průměr přípojky
1 1/4''
Kód výrobce
CA/ZZC-32
Druh
vratné
Hmotnost výrobku s obalem
0.3
Další funkce
schváleno pro styk s pitnou vodou
Parametry bezpieczeństwa
Parametry bezpieczeństwa
Dotaz na výrobek
Napište svoji recenzi




